وحدة شاشة LCD للميزان الإلكتروني للمطبخ
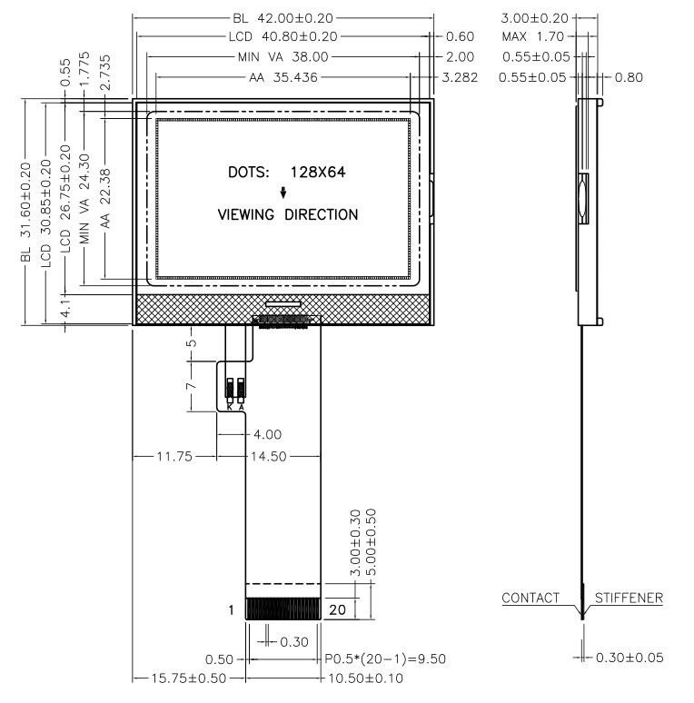
وحدة شاشة LCD هي شاشة LCD بحجم 128 × 64 نقطة للأدوات المحمولة باليد ؛ حيث يبلغ حجم البعد 42. 0 x31.6 0 مم ، ومساحة العرض 38.0 × 24.30 مم ؛ مادة DFSTN مع وحدة تحكم ST7567.
- مقدمة المنتج
تفاصيل المنتج
وحدة شاشة LCD هي شاشة LCD بحجم 128 × 64 نقطة للأدوات المحمولة باليد ؛ حيث يبلغ حجم البعد 42. 0 x31.6 0 مم ، ومساحة العرض 38.0 × 24.30 مم ؛ مادة DFSTN مع وحدة تحكم ST7567. لدينا ثلاث خلفيات لشاشة LCD ، وهي الأزرق والأسود والرمادي ، ويمكن تخصيصها وفقًا لمتطلباتك بما في ذلك الحجم.
تخصيص



عملية شاشات الكريستال السائل المخصصة
تصميم رسم LCD: سيقوم مهندسنا بتصميم رسم LCD وفقًا لمتطلبات العملاء ، وسيستغرق حوالي 1-3 يوم.
تأكيد رسم LCD: عندما ننتهي من تصميم الرسم ، سوف نرسل للعميل للتأكيد.
إنتاج الأدوات والعينات: عندما أكد العميل أن الرسم على ما يرام ، سنبدأ في إنتاج الأدوات والعينات ، وسوف يستغرق الأمر حوالي 15 إلى 30 يومًا. (يعتمد على أنواع شاشات الكريستال السائل)
الإنتاج الضخم: عندما ننتهي من إنتاج العينات ، سوف نرسل عينات مجانية من 5 قطع للعملاء للاختبار ؛ وإذا كانت العينات على ما يرام ، نبدأ الإنتاج الضخم ، وسوف يستغرق حوالي 30-40 يوم.

الوسم : وحدة شاشة LCD للمقياس الإلكتروني للمطبخ ، الصين ، الموردين ، المصنع ، حسب الطلب ، الاقتباس ، شراء الخصم ، عينة مجانية ، صنع في الصين











